Deltec Twin-Tech Calcium Reactor : unboxing
Deltec présentait ses nouveaux réacteurs à calcaire / calcium (RAC) lors d’Interzoo 2018 : les Twin-Tech Calcium Reactor. Voici leur présentation complète au format unboxing et en texte de ces réacteurs pour aquariums de 1500, 3000 ou 10000 litres.
Deltec Twin-Tech Calcium Reactor
Ces Twin-Tech Calcium Reactor disposent de deux chambres (c’est peut-être de là que vient leur nom) : une principale contient le média de carbonate à dissoudre, la secondaire sert comme chambre de dissolution du CO2. Leur fonctionnement se base par la dissolution d’un média contenu dans la chambre principale en y ajoutant de l’eau saturée en CO2 (donc au pH faible) de la chambre secondaire. L’eau riche en carbonates obtenue dans la chambre principale est ensuite versée dans votre aquarium. Avec ce principe de chambre de saturation en CO2, il ne vous reste plus qu’à ajuster le débit de la pompe pour ajuster votre KH et concentration en calcium. En effet, les besoins en CO2 sont assurés par l’électrovanne et l’interrupteur flotteur. Lorsque le CO2 est totalement consommé dans la chambre à CO2, l’interrupteur flotteur actionne l’électrovanne et le CO2 est ajouté automatiquement.
Le volume de sortie des RAC Twin-Tech est ajustable entre 10 et 350 litres par jour grâce à l’unité de contrôle, en fonction des besoins de votre système.

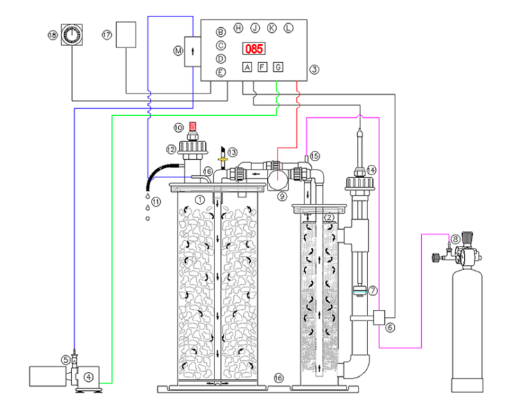
Schéma / Montage :
Voici les détails du montage et des éléments composants ces RAC Twin-Tech de Deltec, ainsi que les différents boutons et signaux de l’unité de contrôle :

- Chambre à média (média non fourni)
- Chambre à CO2
- Unité de contrôle
- Pompe d’alimentation
- Vanne antiretour
- Électrovanne solénoïde
- Interrupteur flotteur
- Bouteille CO2 et manomètre (non fournis)
- Pompe de recirculation
- Sonde pH
- Sortie du réacteur
- Bouchon pour remplissage de la chambre à média
- Vanne de purge
- Bouchon de dégazage
- Entrée de CO2 dans la chambre à CO2
- Base du réacteur
- Alimentation de l’unité de contrôle
- Optionnel : Timer

Contrôles / Signaux :
A. Mode
B. Débit de sortie / jour en litres
C. Dégazage après X litres
D. Vitesse de la pompe de recicurlation en %
E. Etat d’avancement du processus en %
F. Augmenter l’élément sélectionné
G. Diminuer l’élément sélectionné
H. Indicateur LED d’activité
J. Etat de fonctionnement de la vanne CO2
K. Signal bouteille CO2 Vide (alarme sonore en plus)
L. Cycle de dégazage en cours
Disponibilité :
Trois modèles sont disponibles :
Twin-Tech 1500 (CRTT 1500) : pour aquariums jusqu’à 1500 litres – Dimensions : 310 x 180 x 590 mm – Prix constaté : 1 299 €
Twin-Tech 3000 (CRTT 3000) : pour aquariums jusqu’à 3000 litres – Dimensions : 390 x 240 x 590 mm – Prix constaté : 1 799 €
Twin-Tech 10000 (CRTT 10000) : pour aquariums jusqu’à 10 000 litres- Dimensions : 440 x 300 x 920 mm – Prix constaté : 2 999 €
Les produits Deltec sont distribués par Oene van der Meer.
